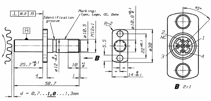
D12A型轉速傳感器 齒輪測速傳感器
- 電源電壓:8-30VDC
- 電流消耗:適合大15mA
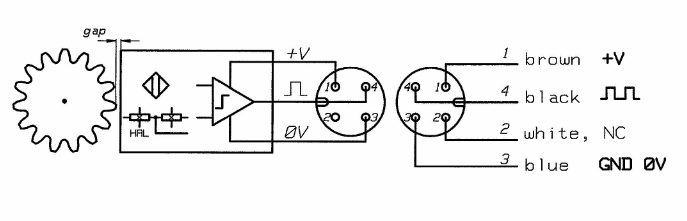
- 輸出信號Vo:推挽式輸出Imax=+/-20mA,Ulow<2.5V,Uhigh>Usupply-3.5V
- 頻率范圍:5-20KHz
- 空氣間隙:模數0.5:0.1to0.3mm;模數1:0.1to1.5mm;模數2:0.1to2.0mm
- 抗震性:5gn(5…2000Hz范圍內)
凱基特齒輪轉速傳感器核心部件是采用磁敏電阻作為檢測的元件,再經過全新的信號處理電路令噪聲降低,功能更完善。通過與其它類型齒轉速傳感器的輸出波形對比,所測到轉速的誤差極小以及線性特性具有很好的一致性.感應對象為磁性材料或導磁材料,如磁鋼、鐵和電工鋼等。當被測體上帶有凸起(或凹陷)的磁性或導磁材料,隨著被測物體轉動時,傳感器輸出與旋轉頻率相關的脈沖信號,達到測速或位移檢測的發訊目的。

| 電源電壓 | 8-30VDC |
| 電流消耗 | 適合大15mA |
| 輸出信號Vo | 推挽式輸出Imax=+/-20mA,Ulow<2.5V,Uhigh>Usupply-3.5V |
| 頻率范圍 | 5-20KHz |
| 空氣間隙 | 模數0.5:0.1to0.3mm;模數1:0.1to1.5mm;模數2:0.1to2.0mm |
| 抗震性 | 5gn(5…2000Hz范圍內) |
| 抗沖擊 | 50gn(20ms期間內,半正弦波) |
| 防護等級 | 傳感器頭部:IP68;電纜銜接部分和連接器:IP67 |
| 溫度范圍 | -40°C…+125°C |






