光電開關是通過把光強度的變化轉換成電信號的變化來實現控制的。凱基特光電開關產品種類齊全,漫反射式,鏡反射式,對射式,圓柱形,方形,槽型,繼電器輸出等。凱基特標準型光電開關產品種類齊全,漫反射式,鏡反射式,對射式,遠距離型,智能型,繼電器輸出型,抗干擾性強,性能穩定,全面滿足您需求。
南京凱基特電氣有限公司生產的接近開關可完全替代圖爾克、歐姆龍、倍加福等進口接近開關品牌。

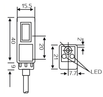
| 產品型號 | KJT-FS40 | ||
| 反射方式 | 漫反射式 | 反射板式 | 對射式 |
| 檢測距離 | 0.3m | 2m | 5m |
| 光源 | 紅外線LED(880nm) | ||
| 輸出方式 | NPN/PNP NO | ||
| 電源電壓 | 10…30VDC | ||
| 消耗電流 | ≤25mA | ||
| 響應時間 | ≤8.2ms | ||
| 回差范圍 | 5…20% | ||
| 重復精度 | ≤3% | ||
| 負載電流 | ≤200Ma | ||
| 壓降 | ≤2.5V | ||
| 輸出指示 | 黃色LED | ||
| 保護回路 | 浪涌、逆極性、短路保護 | ||
| 環境濕度 | 35-95% | ||
| 環境溫度 | -15-55℃ | ||
| 防護等級 | IP67 | ||
| 外殼材料 | PC/ABS | ||
| 接線方式 | 2M PVC線纜 | ||





